產品概述 
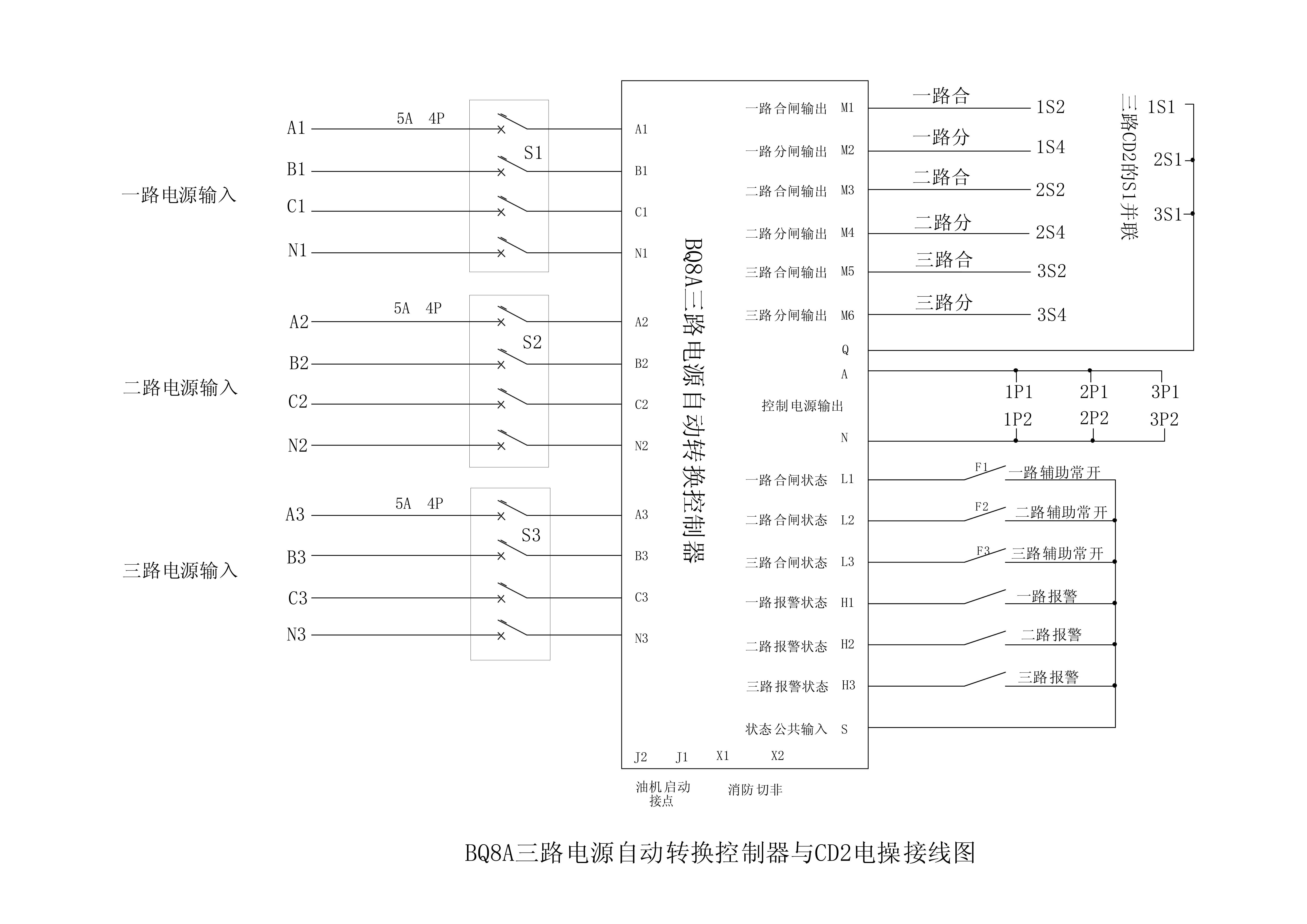
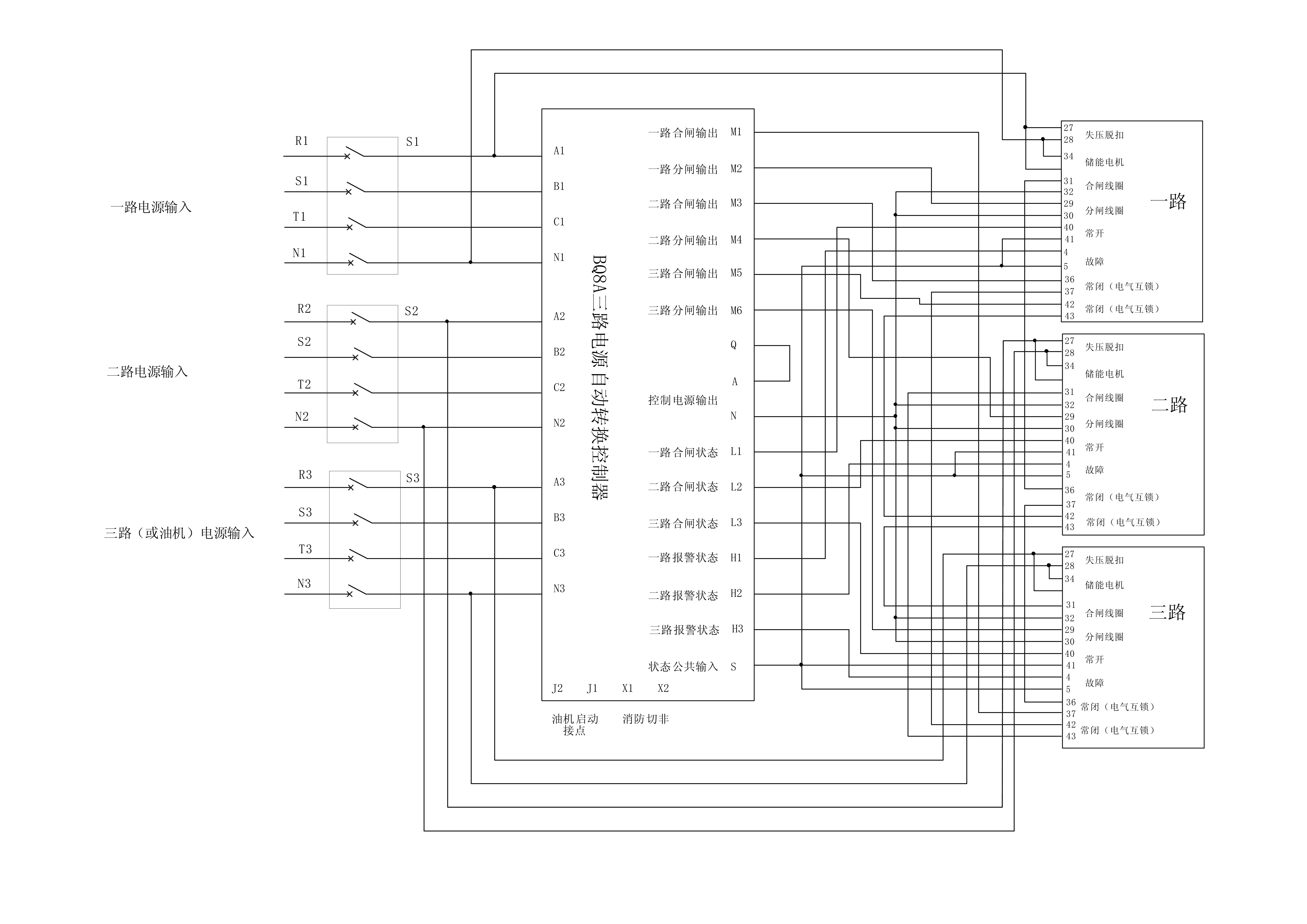
BQ8A三路(lu)(lu)電(dian)(dian)源(yuan)自(zi)動轉換(huan)開關控(kong)制器是一種(zhong)自(zi)動化測量、大屏(ping)幕LCD顯示為一體的智能(neng)三路(lu)(lu)電(dian)(dian)源(yuan)切換(huan)系統。是三路(lu)(lu)電(dian)(dian)源(yuan)自(zi)動切換(huan)的理想產品,在與低(di)壓(ya)空氣(qi)斷路(lu)(lu)器配(pei)套使用(yong)后,特別適合于三路(lu)(lu)低(di)壓(ya)進線側的自(zi)動轉換(huan)和保(bao)護。 產品具(ju)有結構緊(jin)湊(cou)、電路(lu)先進、接線簡單,可(ke)(ke)靠性高(gao),操作機構不管是(shi)塑殼(ke)斷(duan)路(lu)器,還是(shi)框架斷(duan)路(lu)器,還是(shi)CD2的(de)電操,都可(ke)(ke)與之配套。可(ke)(ke)廣泛應用于電力、石油(you)、化工、煤(mei)炭、冶金(jin)、鐵道、市政(zheng)、智能大廈等行業、部(bu)門的(de)電氣裝置、自動控(kong)制以及(ji)調試系統。 產品(pin)特點(dian) BQ8A自(zi)動(dong)轉換開關控(kong)制器(qi)(qi)的執行部(bu)件可(ke)以是框架式空氣斷路(lu)器(qi)(qi)也可(ke)以是塑殼斷路(lu)器(qi)(qi),三(san)臺斷路(lu)器(qi)(qi)不(bu)用加裝適配(pei)器(qi)(qi),也可(ke)以不(bu)需要(yao)(yao)欠(qian)壓脫扣(kou)器(qi)(qi),控(kong)制器(qi)(qi)不(bu)需要(yao)(yao)外接(jie)直(zhi)流電源,直(zhi)接(jie)對三(san)路(lu)供電狀態進行檢(jian)測,自(zi)動(dong)控(kong)制完成三(san)路(lu)電源的自(zi)動(dong)轉換。 技(ji)術特性 1.適用(yong)于三(san)路(lu)(lu)市電、兩(liang)(liang)路(lu)(lu)市電一路(lu)(lu)發電機或一路(lu)(lu)市電兩(liang)(liang)路(lu)(lu)發電機的(de)(de)三(san)路(lu)(lu)電源的(de)(de)自動轉換(huan)控制; 2.時刻監視三路三相電壓(ya)(ya)(ya),對出(chu)現的(de)電壓(ya)(ya)(ya)異常(如失壓(ya)(ya)(ya)、過壓(ya)(ya)(ya)、欠壓(ya)(ya)(ya)、缺相)做出(chu)準確的(de)判斷并輸出(chu)控制開(kai)關量(liang); 3.內(nei)部設有(you)控制(zhi)電(dian)(dian)源切換電(dian)(dian)路(lu),充(chong)分考(kao)慮(lv)了在各種操作機構的應用(如三個接觸器(qi),電(dian)(dian)動空開,框架斷路(lu)器(qi),CD2電(dian)(dian)操塑(su)殼斷路(lu)器(qi)等),還可作為(wei)ATS以及三選一(yi)工作電(dian)(dian)源使用;(三路(lu)只要其(qi)中一(yi)路(lu)電(dian)(dian)源正常,即有(you)控制(zhi)電(dian)(dian)源輸出(chu))。 4.設有自(zi)動(dong)(dong)/手動(dong)(dong)狀(zhuang)態切換(huan)功能,在手動(dong)(dong)方(fang)式下,可按(an)手動(dong)(dong)鍵實現開關分合閘(zha);自(zi)動(dong)(dong)狀(zhuang)態下,任何一路(lu)(lu)出(chu)現電壓異常時,開關自(zi)動(dong)(dong)切換(huan)到另一路(lu)(lu),在一路(lu)(lu)和(he)二路(lu)(lu)都(dou)異常時,自(zi)動(dong)(dong)啟動(dong)(dong)油(you)機發(fa)電,轉換(huan)到三路(lu)(lu)供(gong)電; 5.運行模式可設定為:自(zi)投自(zi)復(fu)(含一路(lu)(lu)優(you)先(xian)、二路(lu)(lu)優(you)先(xian))或自(zi)投不(bu)自(zi)復(fu):無優(you)先(xian)(互為備用); 6.數字顯示(shi)三路相電壓及線(xian)電壓及工作狀(zhuang)(zhuang)態,LED同時顯示(shi)三路合(he)閘(zha)及工作狀(zhuang)(zhuang)態; 7.可在(zai)控制器上更改(gai)設置參數(shu)(shu),均(jun)采用數(shu)(shu)字化調(diao)整(連(lian)續可調(diao));同時(shi)記憶在(zai)內部FLASH 存(cun)儲(chu)器內,在(zai)系統(tong)掉(diao)電時(shi)也不會丟(diu)失; 8.設有(you)電(dian)氣雙重聯鎖功能,始終保持只(zhi)有(you)其中的一路合閘; 9.具有自動啟動油(you)機功能(neng);控制器不(bu)需(xu)要外接直流供電電源,簡(jian)單方便; 10.三(san)路N線分離設計(ji); 11.具有(you)消(xiao)防(fang)切非(強(qiang)制分閘(zha))功能,以滿足緊急情(qing)況下(xia)的分閘(zha)。 12.具有極(ji)強的(de)抗電磁干擾能力,適合在(zai)強電磁干擾的(de)復雜(za)環境中使用; 13.控制(zhi)器可與任(ren)何低壓空氣斷(duan)路器及塑(su)殼斷(duan)路器配套,如DW45、DW17、DW15、ABB Emax、MT、3WL等。 14.模(mo)塊化結構(gou)設計,阻燃(ran)ABS塑(su)料外殼(ke),嵌入式安(an)(an)裝方(fang)(fang)式,插(cha)拔(ba)式接線端子,結構(gou)緊湊,安(an)(an)裝維(wei)護十分(fen)方(fang)(fang)便(bian)。 工作條件 1.電源: 交流輸入(ru):取自三路(lu)電(dian)(dian)(dian)源(yuan)中的其(qi)中一(yi)路(lu)A、N相(xiang)電(dian)(dian)(dian)壓,只要其(qi)中任何(he)一(yi)路(lu)有(you)電(dian)(dian)(dian),即可工作(zuo),單相(xiang)電(dian)(dian)(dian)壓>170V。(該系(xi)統要求接N) 交流(liu)輸入電壓范圍:0-279V(單相)╱0-482V(三相)50Hz 輸(shu)入(ru)三相電流(liu):0-1A(額定) 輸(shu)入(ru)功率:≤5W 2.繼電(dian)器輸出容量:5A 220VAC 工作原理 A1,B1,C1,N1:接一路電源(為市電) A2,B2,C2,N2:接二路電(dian)(dian)源(yuan)(默認市(shi)電(dian)(dian),也可為發電(dian)(dian)機) A3,B3,C3,N3:接三路(lu)電源(發(fa)電機) A、N:控制器(qi)輸(shu)出電(dian)(dian)源(yuan),以(yi)上三路電(dian)(dian)源(yuan)只要任何一(yi)路有電(dian)(dian)源(yuan)輸(shu)入,A、N就有AC220V電(dian)(dian)源(yuan)輸(shu)出, A為相線,N為零線 Q:控制器M1、M2、M3、M4、M5、M6內部無源公共接點,一般接A M1:一路合閘輸出 M2:一路分閘輸出(chu) M3:二路合閘(zha)輸出 M4:二路(lu)分閘輸出 M5:三路合閘輸出 M6:三路分閘輸(shu)出(chu) S:一二三路斷(duan)路器輔助及報警(jing)公共接點 L1:控制器(qi)一路合閘指示,接(jie)一路斷路器(qi)輔助常開 L2:控制器(qi)二(er)路(lu)(lu)合閘指示(shi),接二(er)路(lu)(lu)斷(duan)路(lu)(lu)器(qi)輔助(zhu)常開(kai) L3:控(kong)制器(qi)三路合(he)閘指示,接三路斷路器(qi)輔助常開 H1:控(kong)制(zhi)器一(yi)(yi)路(lu)報(bao)警(jing)指示(shi),接一(yi)(yi)路(lu)斷路(lu)器報(bao)警(jing)常開 H2:控制器(qi)二(er)路報警指示,接二(er)路斷路器(qi)報警常開 H3:控制器三路報警指(zhi)示,接三路斷(duan)路器報警常開 J1 J2:油機啟(qi)動(dong)輸出接點,一路電源不正常時,會自動(dong)輸出啟(qi)動(dong)信號 X1 X2:消(xiao)防切非(X1與X2短路斷路器全部(bu)分閘(zha)) 尺寸 
接線說明       
|